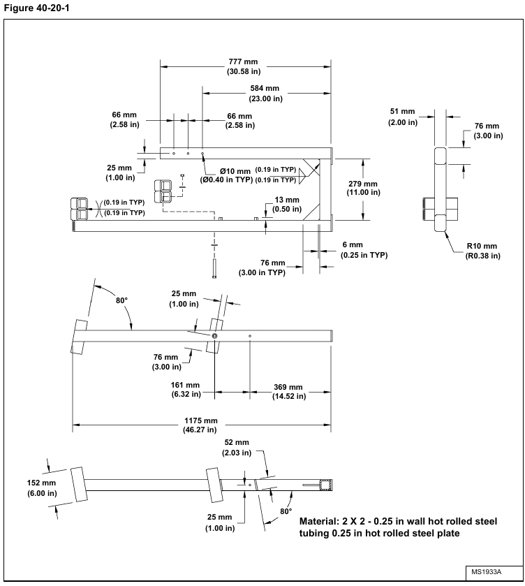
Build the service lifting bracket used to remove and install the ROPS canopy. Use the dimensions shown [Figure 40-20-1] to build the service lifting bracket.
Remove the floor mat. (See Removal And Installation on Page 40-110-1.)
Install the chain hoist (Item 1) in the end hole of the lifting bracket (Item 2) [Figure 40-20-2].
Install the cab / canopy service lifting bracket on the canopy [Figure 40-20-2].
NOTE: Use a chain hoist of sufficient capacity.
Adjust the lifting bracket to the proper width by moving the bracket (Item 1) [Figure 40-20-3].
Remove the bolts and washers (Item 1) [Figure 40-20-4] from the front of the canopy.
Installation: Tighten the bolts to 160 – 180 Nโขm (118 – 133 ft-lb) torque.
Remove the canopy.
Remove the bolts and washers (Item 1) [Figure 40-20-5] from the rear of the canopy.
Installation: Tighten the bolts to 160 – 180 Nโขm (118 – 133 ft-lb) torque.
Raise the hoist.
Remove the canopy.




