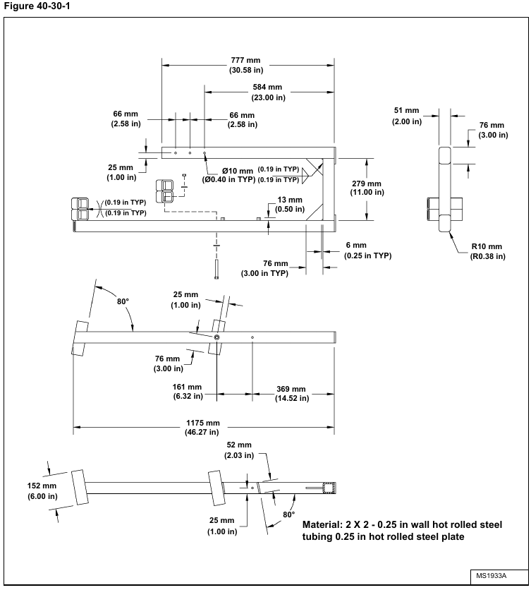
Build the service lifting bracket used to remove and install the cab. Use the dimensions shown [Figure 40-30-1] to build the service lifting bracket.
Remove the floor mat. (See Removal And Installation on Page 40-110-1.)
Removal the upperstructure light. (See Removal And Installation on Page 50-50-1.)
Install the chain hoist (Item 1) in the end hole of the lifting bracket (Item 2) [Figure 40-30-2].
Install the cab / canopy service lifting bracket on the cab [Figure 40-30-2].
NOTE: Use a chain hoist of sufficient capacity.
Adjust the lifting bracket to the proper width by moving the bracket (Item 1) [Figure 40-30-3].
Disconnect the wire harness (Item 1) [Figure 40-30-4].
Disconnect both wire harnesses (Item 1) [Figure 40-30-5] from the bottom of the left console.
Remove the fasteners (Item 1) and remove the cover (Item 2) [Figure 40-30-6].
Remove the bolts and washers (Item 1) [Figure 40-30-7] from the rear of the cab.
Installation: Tighten the bolts to 160 – 180 Nโขm (118 – 133 ft-lb) torque.
Remove the bolts and washers (Item 1) [Figure 40-30-8] from the front of the cab.
Installation: Tighten the bolts to 160 – 180 Nโขm (118 – 133 ft-lb) torque.
Disconnect the wiper washer hose and guide the hose (Item 1) [Figure 40-30-9] through the upperstructure.
Installation: Install the cab mounts (Item 1) [Figure 40-30-10] on the four corners of the cab.









