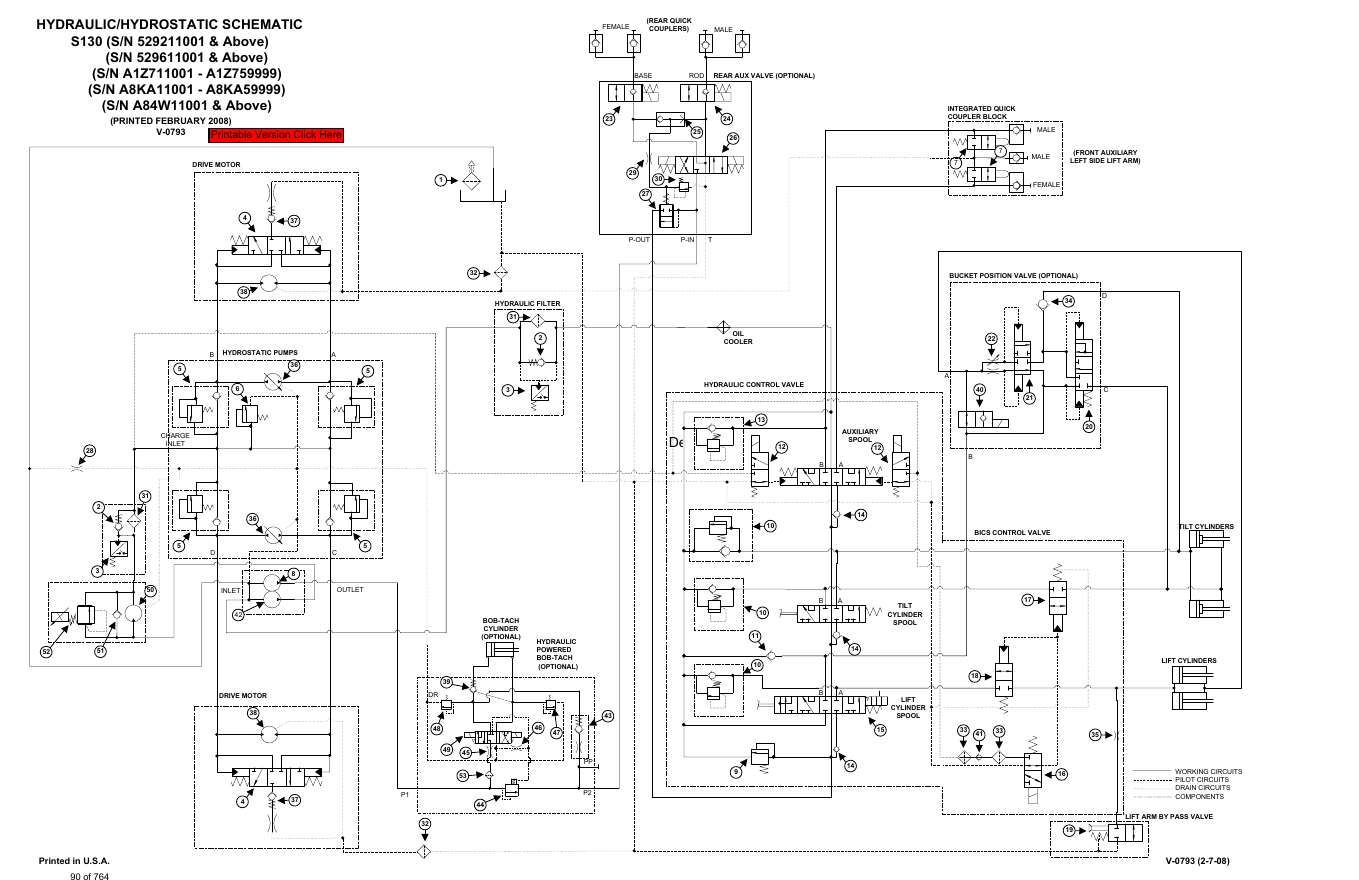
1. RESERVOIR: Capacity . . . . . . . 14.0 Qts. (13,25 L)
2. SPRING LOADED FILTER BY-PASS VALVE: 45-55 PSI (3,1-3,8 Bar)
3. DIFFERENTIAL PRESSURE SWITCH: 36-44 PSI (2,5-3,0 Bar) Normally Closed
4. DRIVE MOTOR SHUTTLE VALVE
5. RELIEF/REPLENISHING VALVE – HIGH PRESSURE: 5000 PSI (345 Bar)
6. RELIEF VALVE – CHARGE INLET: 360 PSI (24,8 Bar) at High Engine Idle
With 140 degrees F. (60 degrees C.) Fluid
7. FRONT AUXILIARY MANUAL PRESSURE BLEED-OFF VALVE
8. HYDRAULIC PUMP . . . . . . . Gear Type 16.9 GPM (64 L/min.) at High Engine Idle
9. RELIEF VALVE – MAIN: 2650-2750 PSI (183-190 Bar) at Front Quick Couplers
10. RELIEF/ANTICAVITATION VALVE – PORT 3500 PSI (241,3 Bar)
11.ย ANTICAVITATION VALVE
12. SOLENOID ACTIVATED DIRECTIONAL CONTROL VALVE – AUXILIARY
13. RELIEF/ANTICAVITATION VALVE – PORT (OPTIONAL) 3500 PSI (241,3 Bar)
14. LOAD CHECK VALVE
15. LIFT CYLINDER SPOOL – MADE TO RESTRICT FLOW DURING BOOM DOWN BUT NOT DURING BOOM UP
16. SOLENOID ACTIVATED DIRECTIONAL CONTROL VALVE – BICS CONTROL
17. PILOTED ACTIVATED DIRECTIONAL CONTROL VALVE – TILT CONTROL
18. PILOTED ACTIVATED DIRECTIONAL CONTROL VALVE – LIFT CONTROL
19. PULL BUTTON ACTIVATED DIRECTIONAL CONTROL VALVE – LIFT ARM BY-PASS
20. PILOTED ACTIVATED DIRECTIONAL DealeCONTROL VALVE – UNLOADING SPOOL
21. PILOTED ACTIVATED DIRECTIONAL CONTROL VALVE – FLOW CONTROL SPOOL
22. FLOW DIVIDER ADJUSTMENT VALVE
23. SOLENOID ACTIVATED DIRECTIONAL CONTROL VALVE – BASE
24. SOLENOID ACTIVATED DIRECTIONAL CONTROL VALVE – ROD
25.ย LOAD SHUTTLE VALVE – BLEED OFF
26. SOLENOID ACTIVATED DIRECTIONAL CONTROL VALVE – TWO COIL
27. PILOT ACTIVATED DIRECTIONAL CONTROL VALVE – REAR AUXILIARY
28. RESTRICTION – 0.343 inch (8,73 mm)
29. RESTRICTOR – 0.031 inch (0,8 mm)
30. RELIEF VALVE: 3300 PSI (228 Bar)
31. FILTER – HYDRAULIC (CANISTER)
32. FILTER – CASE DRAIN (SINTERED BRONZE)
33. FILTER – BICS CONTROL VALVE (SCREEN)
34. CHECK VALVE – BUCKET POSITION VALVE
35. RESTRICTION
36. VARIABLE CAPACITY DISPLACEMENT BIDIRECTIONAL HYDROSTATIC PUMP
37. SHUTTLE RELIEF VALVE (Not Adjustable – Factory Set) 65 PSI (4,5 Bar)
38. FIXED CAPACITY DISPLACEMENT BIDIRECTIONAL HYDROSTATIC MOTOR
39. CHECK VALVE – With 80 PSI (5,5 Bar) Spring
40. SOLENOID ACTIVATED DIRECTIONAL CONTROL VALVE – BUCKET POSITION VALVE (ON/OFF)
41. CHECK VALVE – BICS CONTROL VALVE
42. CHARGE PUMP – 12.8 GPM (48,5 L/min) at High Engine Idle
43. CHECK VALVE – With 300 PSI (20,7 Bar) Spring And With 0.016 inch (0,40 mm) Orifice
44. PILOT ACTIVATED DIRECTIONAL CONTROL VALVE – HYDRAULIC POWERED BOB-TACH
45. RESTRICTION – 0.089 inch (2,26 mm)
46. RESTRICTION – 0.025 inch (0,6 mm)
47. RELIEF VALVE – 2000 PSI (137 Bar)
48. RELIEF VALVE – 1200 PSI (83 Bar)
49. SOLENOID ACTIVATED DIRECTIONAL CONTROL VALVE (TWO COIL)
50. FIXED CAPACITY DISPLACEMENT HYDRAULIC MOTOR
51. ANTICAVITATION VALVE
52. PROPORTIONAL RELIEF VALVE โ (Fan Speed Regulator): 1566 – 1784 PSI (108 – 123 bar)
53. FILTER – BOB-TACH VALVE
