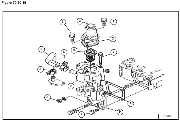
Remove the bolts (Item 1), housing (Item 2), gasket (Item 3) and thermostat (Item 4) [Figure 70-50-19].
Remove clamps (Item 5) and hose (Item 6) [Figure 70-50-19].
Remove bolts (Item 7), nut (Item 8), top and bottom housing (Item 9), and gasket (Item 10) from the cylinder head [Figure 70-50-19].
