Hydraulic Pump
Hydraulic Tractor Troubleshooting
Skip to content
Menu
Home
Contact Us
Posted on
October 15, 2023
by
Jack
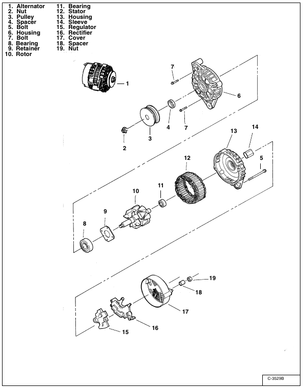
BOBCAT S130 – ALTERNATOR – Parts Identification
Published by
Jack
View all posts by Jack
Post navigation
Prev
BOBCAT S130 – ALTERNATOR – Removal And Installation
Next
BOBCAT S130 – STARTER – Testing