Hydraulic Pump
Hydraulic Tractor Troubleshooting
Skip to content
Menu
Home
Contact Us
Posted on
August 12, 2022
by
Jack
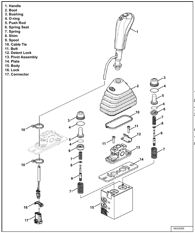
BobCat E35 – BLADE CONTROL LEVER – Parts Identification
Published by
Jack
View all posts by Jack
Post navigation
Prev
BobCat E35 – BLADE CONTROL LEVER – Removal And Installation
Next
BobCat E35 – BLADE CONTROL LEVER – Disassembly And Assembly