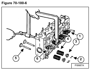
Use a valve spring compressor to compress the valve spring [Figure 70-100-6].
Remove the valve cap (Item 1) [Figure 70-100-6] & [Figure 70-100-7] and valve spring collet (Item 2) [Figure 70-100-6] & [Figure 70-100-7].
Remove the valve spring retainer (Item 3) [Figure 70-100-6] & [Figure 70-100-7] and the spring (Item 4) [Figure 70-100-6] & [Figure 70-100-7].
Remove the seal (Item 6) [Figure 70-100-6] & [Figure 70-100-7] and the valve (Item 5) [Figure 70-100-6] & [Figure 70-100-7].
Remove the thermostat housing. Remove the thermostat from the cylinder head [Figure 70-100-8].


